LR2-D
Model Reference
LR9-F53
LR9-F73
Application
- LR9-F Thermal overload relays are designed for use with contactors LC1-F115 to LC1-F330, In addition to the protection provided by modeled thermal overload relays LR9-F.
Features
- Protection against phase imbalance
- Choice of starting class
- Protection of unbalanced circuits
- Protection of single-phase circuits
Technical Data
| Type | Number | Setting range (A) | Applied Contactor |
| LR9-F53 | F5357 | 30~50 | LC1-F115~F185 |
| F5363 | 48~80 | LC1-F115~F185 | |
| F5367 | 60~100 | LC1-F115~F185 | |
| F5369 | 90~150 | LC1-F115~F185 | |
| F5371 | 132~220 | LC1-F225~F265 | |
| LR9-F73 | F7375 | 200~330 | LC1-F225~F500 |
| F7379 | 300~500 | LC1-F225~F500 | |
| F7381 | 380~630 | LC1-F400~F630 |
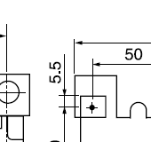
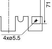
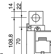
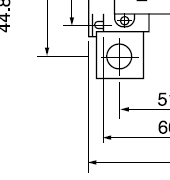
Dimensioned
![]() |
![]() |
![]() |
![]() |
![]() |
![]() |
![]() |
![]() |
![]() |
![]() |
![]() |
![]() |
![]() |
![]() |
![]() |
![]() |
![]() |
![]() |
![]() |
![]() |





























