3UA
Model Reference

3UA54

3UA58

3UA50
Application
- 3UA thermal relay is suitable for AC 50/60Hz, voltage up to 660V and current up to 630A, general AC motor of long or discontinuous long operation, used as overload protection and hasthe functions of breaking phase protection, temperature compensation, and trip indication. It can automatically and manually get back. It can be fixed with contactor LC1 together, also beindependtly fixed.
- The product conforms to IEC60947-4-1 stardand.
Motion Characteristic: Three-phase Balance Motion Time
| No |
Times of the setting current |
Motion time |
Start condition |
Ambient temperature |
| 1 |
1.05 |
>2h |
Cold state |
20±5oC |
| 2 |
1.2 |
<2h |
Heat state(Following the No.1 test) |
| 3 |
1.5 |
<4min |
| 4 |
7.2 |
10A |
2s<Tp≤10s |
≤63A |
Cold state |
| 10 |
4s<Tp≤10s |
>63A |
Phase-losing Motion Characteristic
| No |
Times of the setting current |
Motion time |
Start condition |
Ambient temperature |
| Any two phases |
Another phase |
| 1 |
1.0 |
0.9 |
>2h |
Cold state |
20±5oC |
| 2 |
1.15 |
0 |
<2h |
Heat state(Following the No.1 test) |
Technical Data
| Type |
Number |
Setting range(A) |
Applied Contactor |
| 3UA50 |
0A |
0.1~0.16 |
LC1-D-09
LC1-D-12 |
| 0C |
0.16~0.25 |
| 0E |
0.25~0.4 |
| 0G |
0.4~0.63 |
| 0J |
0.63~1 |
| 0K |
0.8~1.25 |
| 1A |
1~1.6 |
| 1B |
1.25~2 |
| 1C |
1.6~2.5 |
| 1D |
2~3.2 |
| 1E |
2.5~4 |
| 1F |
3.2~5 |
| 1G |
4~6.3 |
| 1H |
5~8 |
| 1J |
6.3~10 |
| 1K |
8~12.5 |
| 2S |
10~14.5 |
| - |
- |
| - |
- |
| Type |
Number |
Setting
range(A) |
Applied Contactor |
| 3UA52 |
0A |
0.1~0.16 |
LC1-D-16
LC1-D-22 |
| 0C |
0.16~0.25 |
| 0E |
0.25~0.4 |
| 0G |
0.4~0.63 |
| 0J |
0.63~1 |
| 0K |
0.8~1.25 |
| 1A |
1~1.6 |
| 1B |
1.25~2 |
| 1C |
1.6~2.5 |
| 1D |
2~3.2 |
| 1E |
2.5~4 |
| 1F |
3.2~5 |
| 1G |
4~6.3 |
| 1H |
5~8 |
| 1J |
6.3~10 |
| 1K |
8~12.5 |
| 2A |
10~16 |
| 2B |
12.5~20 |
| 2C |
16~25 |
| Type |
Number |
Setting
range(A) |
Applied Contactor |
| 3UA54 |
1G |
4~6.3 |
LC1-D-32 |
| 1J |
6.3~10 |
| 2A |
10~16 |
| 2B |
12.5~20 |
| 2C |
16~25 |
| 2D |
20~32 |
| 2Q |
25~36 |
| 3UA58 |
1G |
4~6.3 |
LC1-D-45
LC1-D-63
LC1-D-75
LC1-D-85 |
| 8A |
11~17 |
| 2B |
12.5~20 |
| 2C |
16~25 |
| 2D |
20~32 |
| 2E |
25~40 |
| 2F |
32~50 |
| 2T |
40~57 |
| 2P |
50~63 |
| 2V |
57~70 |
| 2U |
63~80 |
| 8W |
70~88 |
| Type |
Number |
Setting
range(A) |
Applied Contactor |
| 3UA59 |
0A |
0.1~0.16 |
LC1-D-09~63 |
| 0C |
0.16~0.25 |
| 0E |
0.25~0.4 |
| 0G |
0.4~0.63 |
| 0J |
0.63~1 |
| 0K |
0.8~1.25 |
| 1A |
1~1.6 |
| 1B |
1.25~2 |
| 1C |
1.6~2.5 |
| 1D |
2~3.2 |
| 1E |
2.5~4 |
| 1F |
3.2~5 |
| 1G |
4~6.3 |
| 1H |
5~8 |
| 1J |
6.3~10 |
| 1K |
8~12.5 |
| 2A |
10~16 |
| 2B |
12.5~20 |
| 2C |
16~25 |
| 2D |
20~32 |
| 2E |
25~40 |
| 2M |
32~45 |
| 2T |
40~57 |
| 2P |
50~63 |
| 3UA62 |
2H |
55~80 |
LC1-D-170
LC1-D-205 |
| 2W |
63~90 |
| 2X |
80~110 |
| 3H |
90~120 |
| 3J |
110~135 |
| 3K |
120~150 |
| 3L |
135~160 |
| 3M |
150~180 |
| 3UA68 |
3F |
320~500 |
LC1-D-400 |
| 3G |
400~630 |
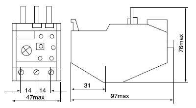
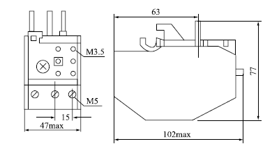
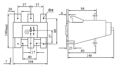
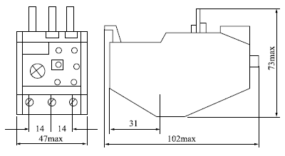
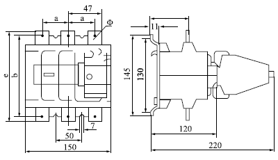
Dimensioned
| Type |
3UA68(400) |
3UA68(630) |
| a |
50 |
52 |
| b |
146 |
156 |
| c |
70 |
71 |
| Φ |
11 |
11 |
| e |
171 |
186 |
| f |
25×4 |
30×5 |
