Timer Switch
SUL180a, SUL160a
Technical Data
SUL180a, SUL160a
| Classification | Timer | ||
| Model | SUL180a | SUL160a | |
| Contact Capacity | AC220V 16A | ||
| Full Timing Range | 24h | ||
| Contact Resistance | ≤50mΩ | ||
| Insulation Resistance | ≥100mΩ | ||
| Coil Voltage | 110, 230V AC | ||
| Life |
Electrical | 105times | |
| Mechanical | 107times | ||
| Operating Temperature | -10℃~+55℃ | ||
| Storage Battery(Working Reserve) | 70h | Without Battery | |
| Min. Setting Unit | 15 Minutes | ||
| Set Up Times | 15m/per times 96 times | ||
| Remarks | -- | ||
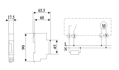
Dimension
![]() |












