Buzzer
HRB-KM
HRB-KM
Technical Data
| Model | Voltage | Current (A) |
Frequency (Hz) |
Decibel (db) |
Packing Size | QTY. | Weight |
| HRB-KM | DC12V | 0.5 | 50/60 | 90 | 48*28*33 cm | 100pcs | 16kg |
| DC24V | 0.5 | 50/60 | 90 | 16kg | |||
| AC110V | 0.5 | 50/60 | 90 | 22kg | |||
| AC220V | 0.5 | 50/60 | 90 | 22kg |
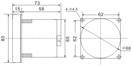
Dimensioned

HRB-KM
HRB-PS30
HRB-PS30
Technical Data
| Model | Voltage | Current (A) |
Frequency (Hz) |
Decibel (db) |
Packing Size | QTY. | Weight |
| HRB-PS30 | DC12V | 25mA | 50 | 80 | 51*26*17.5 cm | 100pcs | 12kg |
| DC24V | 25mA | 50 | 80 | 12kg | |||
| AC110V | 25mA | 50 | 80 | 16kg | |||
| AC220V | 25mA | 50 | 80 | 16kg |
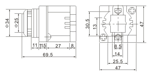
Dimensioned

HRB-PS30
HRB-P80
HRB-P80
Technical Data
| Model | Voltage | Current (A) |
Frequency (Hz) |
Decibel (db) |
Packing Size | QTY. | Weight |
| HRB-P80 | DC12V | 30mA | 50 | 80 | 42.5*35.5*33 cm | 100pcs | 16kg |
| DC24V | 30mA | 50 | 80 | 16kg | |||
| AC110V | 30mA | 50 | 80 | 22kg | |||
| AC220V | 30mA | 50 | 80 | 22kg |
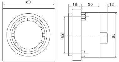
Dimensioned

HRB-P80
HRB-N80
HRB-N80
Technical Data
| Model | Voltage | Current (A) |
Frequency (Hz) |
Decibel (db) |
Packing Size | QTY. | Weight |
| HRB-P80 | DC12V | 30mA | 50 | 80 | 42.5*35.5*33 cm | 100pcs | 16kg |
| DC24V | 30mA | 50 | 80 | 16kg | |||
| AC110V | 30mA | 50 | 80 | 22kg | |||
| AC220V | 30mA | 50 | 80 | 22kg |
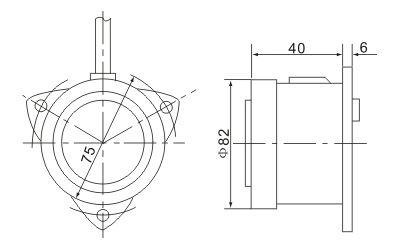
Dimensioned

HRB-P80

