CZ-93 Safety Key Interlock Switch
CZ-93 Safety Key Interlock SwitchSafety key interlock switches are available in any of three retention forces: 7 lbs. to perform consistently and reliably on average size doors and gates, 22 lbs. to hold very heavy doors closed, and 2 lbs. for light plexiglass covers and guards
Model Designations

| Designation | Signal | Description |
| 1. Type | CZ-93 | Safety switch |
| 2. Type of contact blocks fitted | B | 2B (2NC) |
| C | 1A1B (NO-NC) | |
| 3. Conduit entries | PG | PG 13.5XP1.5 |
| PT | PT1/2X14UNC | |
| 4. Actuating keys | None | None |
| 01 | Horizontal | |
| 02 | Vertical | |
| 03 | Adjustable |
>> Download PDF(274KB)
- Ratings
| Rated Voltage (V) | Noninductive Load (A) | Inductive Load (A) | ||||||
| Resistance Load | Lamp Load | Inductive Load | Motor Load | |||||
| NC | NO | NC | NO | NC | NO | NC | NO | |
| 125VAC 250VAC 400VAC |
10 10 10 |
3 2 1.5 |
1.5 1 0.8 |
10 10 3 |
5 3 1.5 |
2.5 1.5 0.8 |
||
| 8VDC 14VDC 30VDC 125VDC 250VDC |
10 10 6 0.8 0.4 |
6 6 4 0.2 0.1 |
3 3 3 0.2 0.1 |
10 10 6 0.8 0.4 |
6 6 4 0.2 0.1 |
|||
- Characteristics
| Rating | 3A 240VAC (A300) |
| Operating speed | 0.1m-0.5m/s |
| Operating frequency | 30 operations/minute |
| Contact resistance | 25mΩ max. (initial value) |
| Insulation resistance | 100mΩ min. (at 500VDC) |
| Rated insulation voltage (UI) | 400V |
| Dielectric strength | AC2500V/Umip 4KV |
| Vibration frequency | 10-55HZ,1.5mm double amplitude |
| Shock | Mechanical: Approx. 1, 000m/Sec2 (about 100G'S) Electrical: Approx. 300m/Sec2 (about 30G'S) |
| Ambient temperature | -30℃ to +70℃ |
| Humidity | <95% RH |
| Life | Mechanical: 10,000,000 operations above Electrical: 150,000 operations above |
| Degree of protection | IP65 (EN60947-5-1) |
| Short-circuit protective device | 10A fuse |
| Weight | Approx. 76g |
- Operating Characteristics
| Key plug in force Max. | 147.N(1,500gf) |
| Key pull out force Max. | 29.42N(3,000gf) |
| Pretravel | 6 ± 3mm |
| Total Travel | (28mm) |
| Force required to have positive Min. | 58.84N (6,000gf) |
| Positive opening travel Min. | 10mm |
- Use attention affair

When in use,there should put a plate on the top to prevent the key overinsert.To prevent nonmovement ,the space between the plate and the switch should be under 3 mm.

Required to have positive machine

When the contact block get fire,press on the middle of the key structure, the NC strict leaving structure can push the contact block a way cut off the movement.
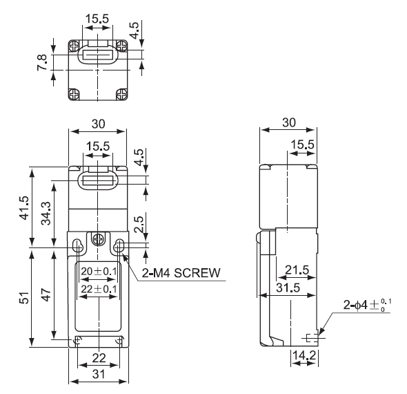
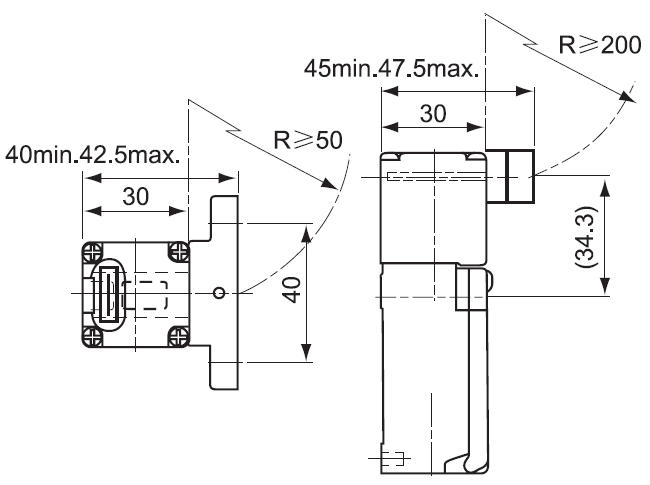
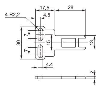
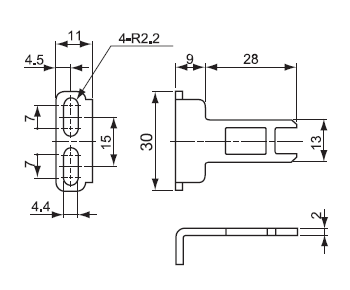
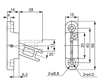
Appearance and Dimension
![]() |

![]() |

![]() |

![]() |

![]() |

![]() |

![]() |









