Residual Current Circuit Breaker with Overcurrent Protection
VL16-32/2E
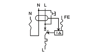
Wiring DiagramVL16-32/2E
Application:
- Elegant appearance; cover and handle in arc shape make comfortable operation.
- Contact position indicating window
- Transparent cover designed to carry label.
- In case of overload to protected circuit, RCBO handle trips and stays at central position, which enables a quick solution to the faulty line. The handle cannot stay in such position when operated manually.
- MCB handle can be locked either at “ON” position or at “OFF” position to prevent unwanted operation of the product.
- Provides protection against earth fault/leakage current, short-circuit and overload
- High short-circuit capacity
- Provides complementary protection against direct contact by human body.
- Effectively protects electric equipment against insulating failure
- Contact position indication
- Provides protection against over-voltage
Advantage
- Our products have the guarantee period of 36 calendar months,that is a high quality and reliability;
- Our products have an excellent ratio between price and quality ,you can possess them by competitive price and high quality;
- The fast and flexible production form aim at the customer require;
- The deliveries exactly in accordance with customer orders
- The fast transportation.
- Adopt electromagnetic style release , can play a leak electricity and electric shock protecting role while breaking in zero Line.
Normal operation and mounting requirement
- Circumstance temperature -5°C ~ +40°C, average temperature within 24h not exceeding +35°C.
- Altitude above sea level less than 2000 m.
- Humidity not exceeding 50% at 40°C and not exceeding 90% at 25°C.
- Installation class II or III.
- Pollution class 2.
- Installation method DIN Rail mounting type.
- The external magnetism shall not be more than 5 times of terrestrial one.
- Product shall be installed at the place where there shall be no severe impact and vibration.
- Product shall be vertically mounted onto standard Din rail 35mm.
Technical Data
- Type: Electronic type
- Residual current characteristics: AC
- Pole No.: 1P+N
- Tripping curve: B, C
- Rated short-circuit capacity: 10000A
- Rated current (A): 6, 10, 16, 20, 25, 32
- Rated voltage: 230V AC ·Rated frequency: 50/60Hz
- Rated residual operating current(A): 0.03, 0.1
- Tripping duration: instantaneous≤0.1s
- Electro-mechanical endurance: 4000 cycles
- Connection terminal: pillar terminal with clamp
- Connection capacity: Flexible conductor 10mm2 Rigid conductor 16mm2
- Installation:On symmetrical DIN rail 35mm, Panel mounting
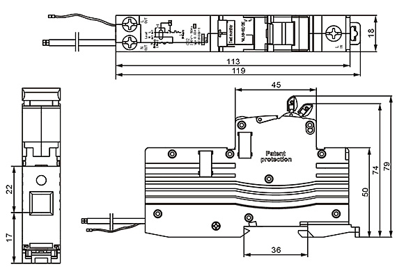
Overall and Mounting Dimensioned Chart


