Motor Protection Circuit Breaker
GV2
GV2-M
GV2-ME
GV2-RSApplication:
- DZ518(GV2) Series motor protecting breaker are mainly used fo the overload and shortcircuit protection of the motor in AC 50/60Hz, up to 660V, 0.1-80A power circuit, as a full-voltage starter to start and cut off the motor, under the AC3 load or for the overload and shortcircuit protection of the circuit and power equipment in the power distribution network.
Technical Data
| DZ518(GV2-M/ME) | DZ518(GV2-RS) | DZ518(GV2-LS) | |||
| M/ME01C | 0.1-0.16 | RS01C | 0.1-0.16 | ||
| M/ME02C | 0.16-0.25 | RS02C | 0.16-0.25 | ||
| M/ME03C | 0.25-0.40 | RS03C | 0.25-0.40 | LS03 | 0.25-0.40 |
| M/ME04C | 0.40-0.63 | RS04C | 0.40-0.63 | LS04 | 0.40-0.63 |
| M/MEO5C | 0.63-1 | RS05C | 0.63-1 | LS05 | 0.63-1 |
| M/MEO6C | 1-1.6 | RS06C | 1-1.6 | LS06 | 1-1.6 |
| M/MEO7C | 1.6-2.5 | RS07C | 1.6-2.5 | LS07 | 1.6-2.5 |
| M/MEO8C | 2.5-4 | RS08C | 2.5-4 | LS08 | 2.5-4 |
| M/ME10C | 4-6.3 | RS10C | 4-6.3 | LS10 | 4-6.3 |
| M/ME14C | 6-10 | RS14C | 6-10 | LS14 | 6-10 |
| M/ME16C | 9-14 | RS16C | 9-14 | LS16 | 9-14 |
| M/ME18C | 10-16 | RS18C | 10-16 | LS18 | 10-16 |
| M/ME20C | 13-18 | RS20C | 13-18 | LS20 | 13-18 |
| M/ME21C | 17-23 | RS21C | 17-23 | LS21 | 17-23 |
| M/ME22C | 20-25 | RS22C | 20-25 | LS22 | 20-25 |
| M/ME32C | 24-32 | RS32C | 24-32 | ||
The rated power of three-phase electromtor controlled by breaker(GV2 motor circuit breaker)
| Adjusting range of rated current (A) | Standard power of three-phase electromotor( KW) AC-3 50/60Hz | |||||
| 230/240V | 400V | 415V | 440V | 500V | 690V | |
| 0.1-0.16 | - | - | - | - | - | - |
| 0.16-0.25 | - | - | - | - | - | - |
| 0.25-0.4 | - | - | - | - | - | - |
| 0.4-0.63 | - | - | - | - | - | 0.37 |
| 0.63-1 | - | - | - | 0.37 | 0.37 | 0.55 |
| 1-1.6 | - | 0.37 | - | 0.55 | 0.75 | 1.1 |
| 1.6-2.5 | - | 0.75 | 0.75 | 1.1 | 1.1 | 1.5 |
| 2.5-4 | 0.37 | 1.5 | 1.5 | 1.5 | 2.2 | 3 |
| 4-6.3 | 0.75 | 2.2 | 2.2 | 3 | 3.7 | 4 |
| 6-10 | 1.1 | 4 | 4 | 4 | 5.5 | 7.5 |
| 9-14 | 2.2 | 5.5 | 5.5 | 7.5 | 7.8 | 9 |
| 13-18 | 3 | 7.5 | 9 | 9 | 9 | 11 |
| 17-23 | 4 | 11 | 11 | 11 | 11 | 15 |
| 20-25 | 5.5 | 11 | 11 | 11 | 11 | 18.5 |
| 24-32 | 5.5 | 15 | 15 | 15 | 18.5 | 23 |
The disjointing current commuting value of breaker in instantmagnetic field
| Rated current In(A) | Adjusting range(A) | Disjointing current(A) |
| 0.16 | 0.1-0.16 | 1.5 |
| 0.25 | 0.16-0.25 | 2.4 |
| 0.4 | 0.25-0.4 | 5 |
| 0.63 | 0.4-0.63 | 8 |
| 1 | 0.63-1 | 13 |
| 1.6 | 1-1.6 | 22.5 |
| 2.5 | 1.6-2.5 | 33.5 |
| 4 | 2.5-4 | 51 |
| 6.3 | 4-6.3 | 8 |
| 10 | 6-10 | 138 |
| 14 | 9-14 | 170 |
| 18 | 13-18 | 223 |
| 23 | 17-23 | 327 |
| 25 | 20-25 | 327 |
| 32 | 24-32 | 416 |
Characteristic Curve
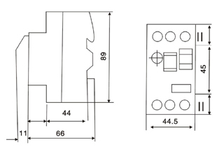
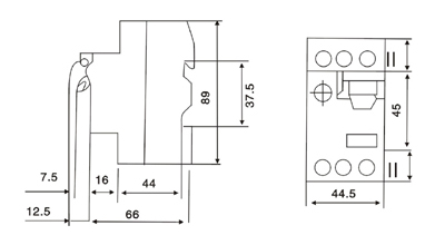
Dimensioned

GV2-M

GV2-RS

