Motor Protection Circuit Breaker
3VE
3VE1
3VE3
3VE4Application:
- DZ108(3VE) is suitable in AC circuit of 50Hz or 60Hz, voltage up to 660V and current up to 0.1-63A and used toprevent small capacity motor and circuit from overload and short circuit and also used as direct starter forstarting the motor and a switch for changeover the circuit under normal conditions.
Technical Data
| Model | DZ108-20(3VE1) | DZ108-32(3VE3) | DZ108-63(3VE4) | |||
| Pole NO. | 3 | 3 | 3 | |||
| Rated Voltage(V) | 660 | 660 | 660 | |||
| Rated Current(A) | 20 | 20 | 20 | |||
| Rated breaking capacity of shortcircuit | 220V | 1.5 | 10 | 22 | ||
| 380V | 1.5 | 10 | 22 | |||
| 660V | 1 | 3 | 7.5 | |||
| Mechanic life | 4×104 | 4×104 | 2×104 | |||
| Electric life | 5000 | 5000 | 1500 | |||
| Auxiliary Contact Parameters | DC | AC | It can be matched with the auxiliary contact only |
|||
| Rated Voltage(V) | 24, 60, 110, 220/240 | 220 | 380 | |||
| Rated Current(A) | 2.3, 0.7, 0.55, 0.3 | 1.8 | 1.5 | |||
| Protective Features | Motor Protection | Su Current Multiple | 1.05 | 1.2 | 6 | |
| Action Time | No action | <2h | >4s | |||
| Distribution Protection | Su Current Multiple | 1.05 | 1.2 | |||
| Action Time | No action | <2h | ||||
| Model | Rated Current(A) | Release Current Setting area(A) | Auxiliary contacts |
| DZ108-20(3VE1) | 0.16 | 0.1-0.16 | without |
| 0.25 | 0.16-0.25 | ||
| 0.4 | 0.25-0.4 | ||
| 0.63 | 0.4-0.63 | ||
| 1 | 0.63-1 | 1NO+1NC | |
| 1.6 | 1-1.6 | ||
| 2.5 | 1.6-2.5 | ||
| 3.2 | 2-3.2 | ||
| 4 | 2.5-4 | 2NO | |
| 4.5 | 3.2-5 | ||
| 6.3 | 4-6.3 | ||
| 8 | 5-8 | ||
| 10 | 6.3-10 | 2NC | |
| 12.5 | 8-12.5 | ||
| 16 | 10-16 | ||
| 20 | 14-20 | ||
| DZ108-32(3VE3) | 1.6 | 1-1.6 | Special |
| 2.5 | 1.6-2.5 | ||
| 4 | 2.5-4 | ||
| 6.3 | 4-6.3 | ||
| 10 | 6.3-10 | ||
| 12.5 | 8-12.5 | ||
| 16 | 10-16 | ||
| 20 | 12.5-20 | ||
| 25 | 16-25 | ||
| 32 | 22-32 | ||
| DZ108-63(3VE4) | 10 | 6.3-10 | Special |
| 16 | 10-16 | ||
| 25 | 16-25 | ||
| 32 | 22-32 | ||
| 40 | 28-40 | ||
| 50 | 36-50 | ||
| 63 | 45-63 |
Characteristic curves

3VE1

3VE3, 3VE4
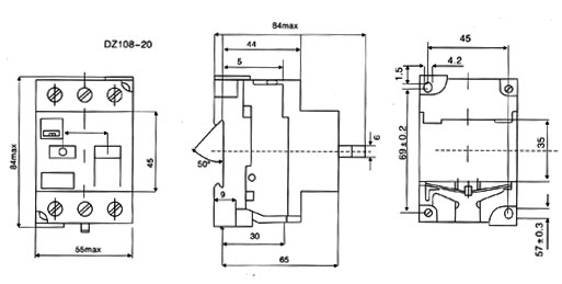
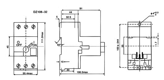
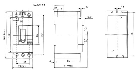
Dimensioned

3VE1

3VE3

3VE4

