Molded Case Circuit Breaker
DPX
DPXApplication
- DPX series MCCB is applicable circuit of AC 50/60Hz, rated current 25-250A, for distributeenergy of electricity & infrequent making & breaking circuit in normal conditions. The productsconforms to IEC60947-2.
Technical Data
| Type | DPX-125 | DPX-250 | |
| Poles number | 3 | 3 | |
| Rated current In(A) | 25~125 | 125~250 | |
| Rated working voltage Ue(V) (50/60Hz) | 500 | 600 | |
Rated working voltage Ue (V) |
250 | 250 | |
| Rated insulation voltage Ui~(V) | 500 | 690 | |
| Rated impulse voltage Uimp(KV) | 6 | 8 | |
| Utilisation category | A | A | |
| Rated limitedshort-circuitbreaking capacityIcu(KA) | 230/240V~ | 22 | 60 |
| 400/415V~ | 16 | 36 | |
| 440V~ | 10 | 30 | |
| 480/500V~ | 8 | 25 | |
| 600V~ | - | 20 | |
| 690V~ | - | 16 | |
250V ![]() |
16 | 36 | |
| Rated short-circuit breaking service capacity Ics(%Icu) | 100 | 100 | |
| Life(open, close fora time) | Mechanical | 7000 | 7000 |
| Electrical | 1000 | 1000 | |
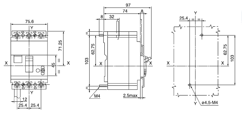
Dimensioned
![]() |
![]() |

(V)
