Molded Case Circuit Breaker
3VL
3VLApplication
- 3VL Series MCCB is one of new products developed and manufactured by adopting interna-tional advanced technology. It is supplied with rated insutaling voltage 690V and used for circuitof AC 50/60Hz, rated operating voltage AC 415V or below, rated opereating current from 16A to 250A. It is designed for protection of electric circuit, motors, transformers and other equipments.
- The products conforms to IEC60947-2 standard.
Technical Data
| Type | 3VL-160X | 3VL-160 | 3VL-250 | 3VL-400 | 3VL-630 | |
| Poles number | 3 | 3 | 3 | 3 | 3 | |
| Rated current In(A) | 20~160A | 50~160A | 100~250A | 200~400A | 315~400A | |
| Rated operating voltage Ue(V) AC 50/60Hz | 690 | 690 | 690 | 690 | 690 | |
| Rated insulation voltage Ui(V) | 800 | 800 | 800 | 800 | 800 | |
| Rated impulse withstand voltage Uimp(KV) | 8 | 8 | 8 | 8 | 8 | |
| Utilisation category | A | A | A | A | A | |
| Rated ultimate short-circuit breaking capacityIcu(KA) | AC 220/240V | 65 | 65 | 65 | 65 | 65 |
| AC 380/415V | 40 | 40 | 40 | 40 | 40 | |
| AC 690V | 8 | 12 | 12 | 12 | 12 | |
| Rated short-circuit servicebreaking capacityIcs(KA) | AC 220/240V | 65 | 65 | 65 | 65 | 65 |
| AC 380/415V | 40 | 40 | 40 | 40 | 40 | |
| AC 690V | 4 | 6 | 6 | 6 | 6 | |
-
Thermomagnetic
T(thermal)
M(maghetic)
| 3VL-160X | 3VL-160 | 3VL-250 | ||||||
| In | T
adjustable (0.8~1.0In) |
M fixed |
In | T
adjustable (0.8~1.0In) |
M adjustable | In | T
adjustable (0.8~1.0In) |
M adjustable |
| 20A | 16~20A | 300A | 50A | 40~50A | 300~600A | 200A | 160~200A | 1000~2000A |
| 32A | 25~32A | 300A | 63A | 50~63A | 300~600A | 250A | 200~250A | 1200~2500A |
| 40A | 32~40A | 600A | 80A | 63~80A | 400~800A | |||
| 50A | 40~50A | 600A | 100A | 80~100A | 500~1000A | |||
| 63A | 50~63A | 600A | 125A | 100~125A | 625~1250A | |||
| 80A | 63~80A | 1000A | 160A | 125~160A | 800~1600A | |||
| 100A | 80~100A | 1000A | ||||||
| 125A | 100~125A | 1000A | ||||||
| 160A | 125~160A | 1500A | ||||||
| 3VL-400 | 3VL-630 | ||||
| In | T adjustable(0.8~1.0In) | M adjustable | In | T adjustable(0.8~1.0In) | M adjustable |
| 200A | 160~200A | 1000~2000A | 315A | 250~315A | 1575~3150A |
| 250A | 200~250A | 1200~2500A | 400A | 315~400A | 2000~4000A |
| 315A | 250~315A | 1575~3150A | 500A | 400~500A | 2500~5000A |
| 400A | 315~400A | 2000~4000A | 630A | 500~630A | 3250~6500A |
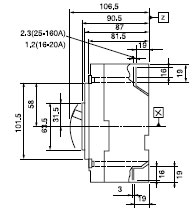
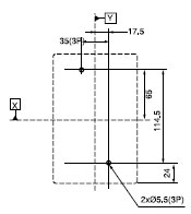
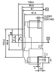
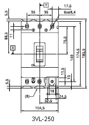
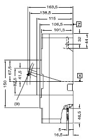
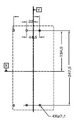
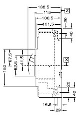
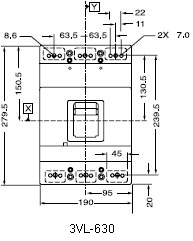
Dimensioned
![]() |
![]() |
![]() |
![]() |
![]() |
![]() |
![]() |
![]() |
![]() |
![]() |
![]() |
![]() |













