Self-Powered Counter
HC3xxx, HC3xxx-L
Model Reference
Note: the voltage in put code for HC3J601V-L, HC3J801V
Feature
HC3J601-L
HC3J801- DIN-sized 48x24mm, 50x60mm expansible.
- Life time of the Li-battery: ≥10 years.
- 6 or 8 digital, large, high-visibility LCD displays.
- Inputs connected nod signal or electricity signal.
- Counting is accuracy and reliable.
- The maximum counting speed: 200 counts/sec.
- No mechanism abrasion, long life time
- Self-power totalizing counter can replace electromagnetism counter.
Technical Data
| Voltage | Drivend by built-in battery |
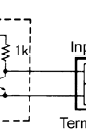
| Input signal | Relay or switch contac Transistor input |
| Voltage input signal | L livel: 0 ~ 2V H livel: DC4 ~ 30V (HC3J602VH/ HC3J802V) |
| Non-voltage input signal | Short-circuit impedance: 10KΩ max. Open impedance: 500KΩ max. Short-circuit residual voltage 0.5V max. |
| Max. counting speed | 10cps (signal width > 50mS) 200cps (signal width > 2.5mS) |
| Display | 6.7mm LCD |
| Weight | Approx. 60g |
| Operating temperature | -10 ~ 40°C |
| Reset system | External reset and Manual reset |
| Reset signal | ≥0.2S |
| Weight | 35% ~ 85% RH |
Connections
![]() |
![]() |
![]() |
![]() |
![]() |
![]() |
![]() |
![]() |
![]() |
![]() |
![]() |
![]() |
![]() |
![]() |
![]() |
![]() |
![]() |
![]() |
![]() |
![]() |
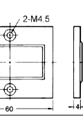
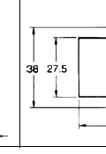
Dimensioned
![]() |
![]() |
![]() |
![]() |
![]() |
![]() |
![]() |
![]() |
![]() |
![]() |
![]() |
![]() |
Electro-Magnetic Counter - CSK
Technical Data
Y Type
N Type
L Type | Models | CSK4-YKW/NKW/LKW, CSK5-YKW/NKW/LKW, CSK6-YKW/NKW/LKW | |
| Voltages | AC110V, 220V | DC12V, 24V |
| Tolerance | Rated voltage -15% ~ 10% | |
| Consumption | 3VA | 3.5W |
| Counting speed | 10cps | 20cps |
| Life | 20, 000, 000times | |
| Test | AC-1,500V (50/60Hz) 1 minute (Dielectrie) | |
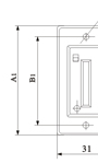
| Item No. | Dimensioned | ||||
| A1 | B1 | C1 | A2 | C2 | |
| CSK4-YKW/NKW/LKW | 60 | 50 | 36.5 | 40 | 35 |
| CSK5-YKW/NKW/LKW | 67 | 57 | 42 | 46 | 41 |
| CSK6-YKW/NKW/LKW | 72 | 63 | 47 | 51.5 | 46.5 |
Dimensioned
![]() |
![]() |
![]() |
![]() |
![]() |
![]() |
![]() |
![]() |
![]() |
![]() |











































